Locks

Catalogue

Technical Data Sheet Download PDF

NP75 EURO SASHLOCK

If you do not have an account on our site, please fill in the registration form or log in.

Please note, trade price list is available for registered users only.

Narrow profile sashlock for aluminium doors.

APECS NP75 is ideal for slimline aluminium profiles and can also be used on uPVC and timber doors when 85 PZ centres are required, but where multi-point locking is not possible and/or not needed.

The advantage of locks in this series is their wide range of backsets (20mm-45mm), providing a solution for virtually all narrowstyle doors.

The latch is reversible with a simple twist to quickly and easily change the handling of the lock.

Unique Features

  • Perfect for aluminium doors
  • Accepts euro profile cylinder locks
  • Reversible latch bolt
  • Provides both latch and deadbolt locking
  • Striking plate and screws are included
  • Operation — 250,000 cycles
  • Corrosion tested — 72 hours NSS
Material: Steel
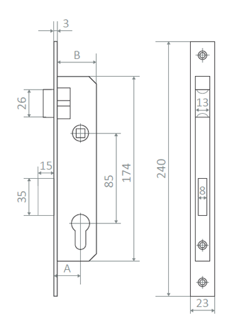
Centres: 85mm
Case Width: 13mm
Case Height: 174mm
Faceplate Width: 23mm
Faceplate Length: 240mm
Bolt Throw: 15mm
Bolt Height: 43mm
Bolt Wid: 10mm
Spindle Hole: 8mm
Backsets: 20mm-35mm

 

Material: Steel
Centres: 85mm
Case Width: 15mm
Case Height: 174mm
Faceplate Width: 23mm
Faceplate Length: 240mm
Bolt Throw: 20mm
Bolt Height: 43mm
Bolt Width: 10mm
Spindle Hole: 8mm Multi Angle
Backsets: 40mm-45mm

Product Recommendations